Submedidor: Un submedidor es un producto instalado corriente abajo de un medidor de servicios públicos, como un medidor eléctrico, un medidor de gas o un medidor de agua. El objetivo de un submedidor es medir y monitorizar con precisión el uso de energía para cargas específicas. Ejemplo: Una aplicación común para un submedidor es un edificio de apartamentos donde la administración de la propiedad desea facturar a cada inquilino el uso eléctrico real en lugar de adivinar o promediar el uso.
¿Qué es un submedidor?
Software de submedición de información de energía VerifEye
Módulo básico, Módulo de creación de informes avanzados y Módulo de facturación a inquilinos; todo accesible en línea.Submedidores
Los submedidores capturan mediciones precisas del consumo de energía para el manejo estratégico de energía.Productos de red para submedición
Los datos de submedición se integran con otros sensores de energía críticos para brindar una solución integral de monitorización de energía.Transformadores de corriente para submedidores
Los transformadores de corriente miden la corriente eléctrica que fluye a través de la línea.¿Qué es la submedición?
La medición del consumo (eléctrico, agua, gas, etc.) subsiguiente a un medidor de la empresa de servicios públicos.
¿Cuánta submedición se necesita?
Depende de la aplicación. Vea el ejemplo a la derecha.
¿Por qué usar submedición?
- Facturación a inquilinos
- Monitorización de energía
- Motivación: una vez que los inquilinos se hacen responsables del consumo de energía, el uso cae estadísticamente*
- Ahorro de dinero: ahorros a largo plazo del 15% al 20%
- El consumo de energía puede variar hasta un 250% en instalaciones similares
- El objetivo es ahorrar costos a través de la eficiencia energética
Responsabilidad por ahorros a largo plazo *estudio de caso realizado por NYSERDA 1991-Carlyle y Scott Towers, Nueva York, Autoridad de Investigación y Desarrollo de Energía del Estado de Nueva York.estudio de caso de submedición residencial, Carlyle Towers y Scott Towers, octubre 1997
Requisitos del Título 24 de California de 2022
- Sección 130.5(a) y (b)—Medición de servicio, desagregación de circuitos eléctricos
- Cada servicio eléctrico debe tener instalado de forma permanente medición accesible por el usuario del uso total de energía eléctrica según la Tabla 130.5-A.
- Esto no se aplica a edificios para los que la empresa de servicios públicos proporciona un medidor para uso de ocupantes o usuarios que indica demanda instantánea de kW y kWh durante un período restablecido por el usuario
- Cada centro de control de motor, panel y tablero de conmutación recientemente instalado (en edificios de construcción existentes y recientemente instalados) debe diseñarse para permitir la medición desagregada de la energía de carga eléctrica subsiguiente de acuerdo con los requisitos de la Tabla 130.5-B.
Rápida: Los medidores recién instalados deben ser capaces de medir desagregadamente las cargas eléctricas, que pueden verse en dirección descendente del medidor.
Cumplimiento del código: Tabla 130.5-A: Título 24
- Requisitos mínimos para la medición de cargas eléctricas
| Tipo de medidor | Servicios <50kVa | Servicios de 50-250 kVa | Servicios de 250-1000 kVa | Servicios >1000kVa |
| 208V 3PH | 0-139 | 139-690 | 690-2775 | >2775 |
| 480V 3PH | 0-60 | 60-300 | 300-1200 | >1200A |
| Demanda de kWh instantánea (en ese momento) | Necesario | Necesario | Necesario | Necesario |
| Demanda de pico histórico (kW) | No es necesario | No es necesario | Necesario | Necesario |
| RestableciblekWh | Necesario | Necesario | Necesario | Necesario |
| período de velocidad de kWhper | No es necesario | No es necesario | No es necesario | Necesario |
Se pueden usar métodos de adición y sustracción para determinar el uso de energía agregada y desagregada. Use software y redes
Cumplimiento del código: Tabla 130.5-A: Título 24
- Requisitos mínimos para la separación de cargas eléctricas
| Tipo de medidor | Servicios <50kVa | Servicios de 50-250 kVa | Servicios de 250-1000 kVa | Servicios >1000kVa |
| 208V 3PH | 0-139 | 139-690 | 690-2775 | >2775 |
| 480V 3PH | 0-60 | 60-300 | 300-1200 | >1200A |
| Sistemas y componentes de climatización; enfriadores, torres de enfriamiento, bombas de circulación, etc. | No es necesario | Todas las cargas de climatización en conjunto | Todas las cargas de climatización en conjunto y cada carga de climatización = 50kVA o más | Todas las cargas de climatización en conjunto y cada carga de climatización = 50kVA o más |
| Bombas de sistemas de agua domésticas y de servicio y otros componentes del sistema | No es necesario | Todas las cargas en conjunto | Todas las cargas en conjunto | Todas las cargas en conjunto |
| Ascensores, escaleras mecánicas, pasos en movimiento, etc. | No es necesario | Todas las cargas en conjunto | Todas las cargas en conjunto | Todas las cargas en conjunto |
El Título 24 no especifica métodos de adquisición de datos ni metodología de almacenamiento y presentación de datos
Cumplimiento del código: Tabla 130.5-A: Título 24
- Requisitos mínimos para la separación de cargas eléctricas
| Tipo de medidor | Servicios <50kVa | Servicios de 50-250 kVa | Servicios de 250-1000 kVa | Servicios >1000kVa |
| 208V 3PH | 0-139 | 139-690 | 690-2775 | >2775 |
| 480V 3PH | 0-60 | 60-300 | 300-1200 | >1200A |
| Iluminación que incluye salida, salida y exterior | No es necesario | Todas las cargas en conjunto | Toda la iluminación se desagrega por piso, tipo o área | Toda la iluminación se desagrega por piso, tipo o área |
| Carga de tomas, incluidos electrodomésticos con clasificación < 25kva | No es necesario | -Todas las cargas de tomas en conjunto - Grupos de cargas de tomas que superan la carga conectada de 25 kVa en un área < 5000 ft2 | -Todas las cargas de tomas separadas por piso, tipo o área - Grupos de cargas de tomas que superan la carga conectada de 25 kVa en un área < 5000 ft2 | -Todas las cargas de clavija separadaspor piso, tipo o área -Todos los grupos de cargas de clavija que superan la carga conectada de 25 kVa en un área <5,000 ft2 |
| Estaciones de carga | Todas las cargas en conjunto | Todas las cargas en conjunto | Todas las cargas en conjunto | Todas las cargas en conjunto |
| Incluye iluminación, enchufe y lenguaje de vehículos eléctricos únicamente. HVAC, bombas de agua, ascensores, teatro, cocinas comerciales, requisitos de energía renovable no incluidos en esta tabla. Consulte los detalles de T24 . | ||||
El Título 24 no especifica métodos de adquisición de datos ni metodología de almacenamiento y presentación de datos
Cumplimiento del código: Tabla 130.5-A: Título 24
- Requisitos mínimos para la separación de cargas eléctricas
| Tipo de medidor | Servicios <50kVa | Servicios de 50-250 kVa | Servicios de 250-1000 kVa | Servicios >1000kVa |
| 208V 3PH | 0-139 | 139-690 | 690-2775 | >2775 |
| 480V 3PH | 0-60 | 60-300 | 300-1200 | >1200A |
| Otras cargas/electrodomésticos no HVAC clasificados en <25kVA | No es necesario | Todos | Cada | Cada |
| Centros de carga industriales/comerciales <25kVA para incluir cocinas teatrales de iluminación/comunicación | No es necesario | Todos | Cada | Cada |
| Cargas asociadas con fuente de alimentación renovable | No es necesario | Todas las cargas en conjunto | Todas las cargas en conjunto | Todas las cargas en conjunto |
| Fuente de alimentación renovable (neto o total) | Cada grupo | Cada grupo | Cada grupo | Cada grupo |
El Título 24 no especifica métodos de adquisición de datos ni metodología de almacenamiento y presentación de datos
Ley local 88 de Nueva York (NY LL 88 – 132/134)
La ciudad de Nueva York requiere que todos los edificios comerciales de más de 2.300 metros cuadrados instalen submedidores para cualquier inquilino que alquile al menos 450 metros cuadrados de espacio
- Modificado por LL 132/134 en 2016 para reducir los umbrales de metros cuadrados
- Todos los edificios comerciales de más de 2.300 m2 (50.000) deben instalar submedidores para cualquier inquilino que alquile al menos 450 m2 (10.000) de espacio
- El equipo requerido debe estar instalado por 1 de enero de 2025
- La mayoría de los arrendamientos comerciales de Nueva York tienen 10 años de duración
- Los medidores deben planificarse e instalarse ahora para garantizar el cumplimiento y evitar interrupciones a los inquilinos
Código de medición de energía de Seattle
- Requiere submedición en edificios más nuevos de más de 1.800 metros cuadrados y ampliaciones de más de 930 metros cuadrados.
- Las mejoras en los inquilinos que ocupan todo el piso del edificio deben medirse individualmente.
- Los edificios con capacidades de medición deben mantener esa capacidad en modificaciones y adiciones futuras.
- 1202.1-1202.5 Submedición de usuario final
- El sistema también debe recopilar datos de uso de energía para todo el edificio y por separado para cada una de las categorías de uso final de las secciones 1202.1 a 1202.5.
Requisitos de medición de energía de la ciudad de Seattle
| Totales por tipo de carga | Medición del uso de energía |
| Uso total de energía del sistema de climatización 1202.1 | Debe incluir toda la energía para la audición espacial, enfriamiento del espacio, ventilación, calderas, enfriadores, bombas, ventiladores para suministro, retorno, alivio, escape, estacionamientos |
| Uso total de energía del sistema de iluminación 1202.2 | Debe incluir iluminación para tareas en interiores y exteriores, pero no conectable |
| Sistema de carga de tomas 1202.3 Uso total de energía | Toda la energía utilizada por iluminación de tareas, electrodomésticos y otros equipos conectados |
| 1202.4 Carga de procesoUso total de energía | Cargas de operaciones fuera del edificio >2% del total (o parte de varios) |
| 1202.5 Uso de energía total misceláneo | Otras categorías, incluyendo agua caliente doméstica, ascensores y escaleras mecánicas, piscinas |
Requisitos de submedición del estándar ASHRAE 90.1
8.4.3.1 Monitorización de energía eléctrica
- Los productos de medición deben instalarse en edificios nuevos para monitorizar eluso de energía eléctrica para cada uno de los siguientes dispositivos por separado:
- Energía eléctrica total
- Sistemas de climatización
- Iluminación interior
- Iluminación exterior
- Circuitos de receptáculo
8.4.3.2 Registro y creación de informes
- El uso de energía eléctrica para todas las cargas especificadas en la Sección 8.4.3.1 se debe registrar como mínimo cada 15 minutos y se debe informar al menos cada hora, día, mes y año.
- Los datos de cada espacio de inquilino se pondrán a disposición de ese inquilino. En edificios con un sistema de control digital instalado para cumplir con la Sección 6.4.3.10, los datos de uso de energía se transmitirán al sistema de control digital y se mostrarán gráficamente.
- El sistema debe ser capaz de mantener todos los datos recopilados durante un mínimo de 36 meses.
Rápida: Los productos de energía eléctrica son necesarios en edificios nuevos para monitorizar una variedad de aplicaciones Y deben registrarse los datos de uso de energía.
Similitud de códigos
| Tipo de control | IECC 2021 | ASHRAE 90.1 2019 | Título 24 2022 | Resumen de requisitos |
| Desagregación de la medición de servicio de circuitos eléctricos | ✔ | ✔ | ✔ |
|
Estados con legislación de submedición eléctrica
- Arizona: los propietarios pueden medir el uso individual y facturar a los inquilinos por gas, agua, electricidad, eliminación de basura y aguas residuales
- California—El Título 24 de 2022, Parte 6, incluye monitorización de energía eléctrica y desagregación de requisitos de carga
- Connecticut: los propietarios deben obtener la aprobación de la Comisión de Servicios Públicos para poder submedir
- Distrito de Columbia: los propietarios pueden submedir la electricidad y el gas para unidades de alquiler no residenciales que aún no se han medido individualmente
- Florida: las empresas de servicios eléctricos deben medir individualmente cada unidad en la mayoría de los edificios
- Indiana: el equipo de submedición puede instalarse en unidades individuales con inquilinos facturados
- Maryland: se permite la submedición comercial y residencial y la facturación a inquilinos con la aprobación de la comisión estatal
- Minnesota: la submedición no puede limitarse a los ocupantes del edificio por servicios públicos
- Nueva Jersey: el Consejo de Servicios Públicos de Nueva Jersey tiene autoridad sobre la submedición, que está permitida en edificios industriales, comerciales, financiados públicamente y propiedad del gobierno
- Nueva York: la Ley local 88 de Nueva York exige que todos los edificios comerciales de más de 2.300 metros cuadrados instalen submedidores para cualquier inquilino que alquile al menos 450 metros cuadrados de espacio
- Oklahoma: Las MDU pueden ser atendidas por un sistema de medición/submedidor en lugar de la medición de servicios públicos
- Oregón: regulaciones que permiten la submedición y la facturación a inquilinos por parte de los propietarios
- Texas: los apartamentos y condominios recientemente construidos deben tener capacidades de submedición
- Virginia: los propietarios pueden submedir el agua, la electricidad y el gas a inquilinos residenciales y comerciales, con estándares y requisitos para el equipo establecidos por ley
Transformadores de corriente (TC)
- Los transformadores de corriente recorren el conductor para cada circuito que se va a medir.
- 3 tipos de TC básicos
- Núcleo sólido (100 A - 400 A)
- Núcleo dividido (100 A - 1.600 A)
- Bobina de Rogowski (amplia gama de 50-5000A)
Tipos de transformadores de corriente (TC)
Salida de TC de 100mA frente a 333mV
- Los medidores de Leviton utilizan tipos de 2 CT salida
- Las series 1000, 2000, 3500, 8000 y Mini Meter usan una salida de 100mA
- Las series 4000, 4100, 7000 y 7100 usan una salida de 333mV
- La salida de TC debe coincidir con la entrada de TC del medidor (100 mA/333mV)
- El tamaño del transformador debe ser el adecuado para el amperaje del circuito al que está conectado.
- La clasificación de TC debe ser = > que el amperaje máximo del circuito.
- Los medidores de Leviton utilizan tipos de 2 CT salida
- TC de núcleo sólido
- Se utiliza para aplicaciones de mayor precisión (grado de ingresos) y facturación a inquilinos
- 100mA –CDA01/02, CDF04
- 333mV –CDV01/02
- Se utiliza para aplicaciones de mayor precisión (grado de ingresos) y facturación a inquilinos
- TC de núcleo dividido
- Se utiliza para reacondicionamiento donde desconectar el conductor sería problemático.
- Se utiliza para aplicaciones comerciales/industriales donde la precisión de grado comercial no es un requisito
- 100mA –CTD 01/02/04, CTC08/12/16
- 333mV –CTV01/02/04/08
- TC de bobina de Rogowski
- Se utiliza para circuitos de alto amperaje
- CRV50 (longitudes de 30 cm, 40 cm, 45 cm, 45 cm)
- Se utiliza para circuitos de alto amperaje
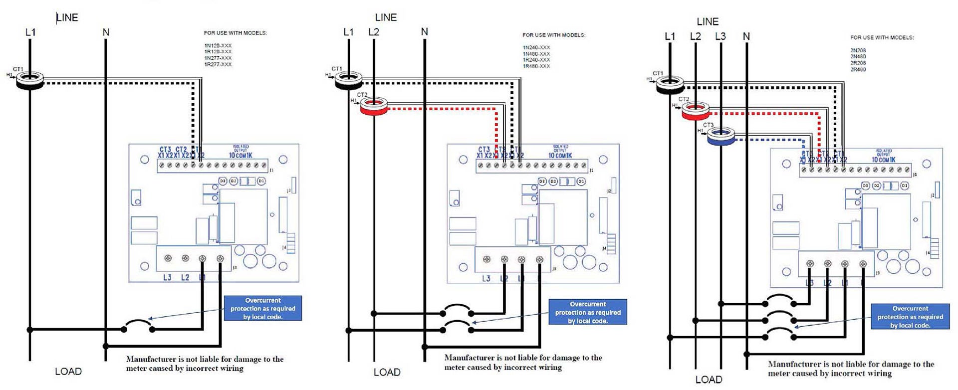
Diagramas de cableado del submedidor
- Cada TC está conectado a la entrada de TC del medidor, que actúa como sensor de corriente para el circuito.
- Uso de medidores monofásicos 1 CT
- Los medidores bifásicos utilizan 2 TC
- Los medidores trifásicos utilizan 3 TC
- Un TC por cada rama caliente en el circuito.
- Sin TC en el neutro
Problemas comunes con las aplicaciones de transformador de corriente
Polaridad inversa
- Lecturas de kWh negativas
- Los TC están etiquetados para indicar qué lado debe mirar hacia la carga.
- Algunos medidores tienen un indicador/ajuste de polaridad inversa
- Siempre es mejor corregir el error instalando correctamente el TC
- Si el TC está orientado correctamente, verifique la polaridad de entrada en el medidor.
Tamaño del TC (amperaje incorrecto)
- Las lecturas están directamente relacionadas con el amperaje del sistema del medidor y el TC emparejado.
- TC de 200A en un medidor de 100A = lectura de kWh del 50%
- TC de 100A en un medidor de 200A = 200% kWhPosible daño en la entrada del TC y medidor
Salida de TC incorrecta (tipo 100mA/333mV)
- Los medidores de Leviton deben coincidir con el transformador de salida correcto de 100mA o 333mV
- Las lecturas no serán correctas con el tipo de salida incorrecto.
Medidores de pulso
- Los medidores de pulso son simples, pero altamente confiables
- Ideal cuando el uso de energía (kWh) es el único dato necesario.
- Informe kWh como la suma de un recuento de pulsos
- kW pico opcional
- Algunos modelos ofrecen la opción de demanda reactivable
- Se utiliza ampliamente para aplicaciones de facturación a inquilinos
Datos del medidor de pulsos
- El medidor mide kWh y genera una salida de pulsos eléctricos cada vez que el medidor alcanza el valor de kWh especificado.Valores típicos para los medidores de Leviton
- 1kWh = 1000 Wh
- 100Wh
- 10Wh = más detalles (rangos más cortos)
- Cada pulso = 10/100/1 k-WH
- Los pulsos se convierten al uso de energía en kWh para la creación de informes
Ventajas
- Fácil de instalar y poner en marcha
- Rentable
- Confiable
- La salida de datos es muy pequeña
- Muchos modelos disponibles para aplicaciones monofásicas, bifásicas y trifásicas
Desventajas
- Salida de datos limitada: kWh/demanda
- Sin interfaz de usuario integrada
- Sin interfaz de comunicaciones avanzada para redes
Medidores de pulso de Leviton (eléctricos)
- Mini Meter
- Modelos monofásicos y dobles (100 A y 200A
- Varias opciones de cajas
- Unidad de medidores múltiples (MMU)
- Serie 1000
- monofásico (100 A - 800 A)
- Opciones de cajas para interiores y exteriores
- Serie 2000
- Trifásico (100 A - 1200 A)
- Caja para interiores y exteriores
- Unidad de medidores múltiples (MMU)
Medidores de pulso de Leviton (gas y agua)
Medidores de gas
- 200 a 400 pies3/Hr. Modelos para adaptarse a la mayoría de las aplicaciones
- Salida de pulso estándar –CFH
- Compatible con EMH y AMR inalámbrico de Leviton
- Juegos de conectores incluidos con el medidor
Medidores de agua
- Medidores de agua fría y caliente para aplicaciones residenciales y comerciales
- Una variedad de modelos de 1,9 cm a 5 cm
- Salida de pulso estándar: calibre
- Compatible con EMH y AMR inalámbrico de Leviton
- Acoplamientos incluidos con los medidores comerciales
Medidores avanzados
- Los medidores avanzados ofrecen una amplia gama de parámetros de medición más allá de kWh
- Altamente configurable para una variedad de aplicaciones
- Soporte para interfaz de usuario en red
- Modbus RTU (RS485)/TCP (Ethernet)
- BACnet MSTP (RS485/IP (Ethernet)
- La mayoría utiliza un software o una interfaz de usuario basada en un navegador para la configuración
- Se utiliza ampliamente para aplicaciones comerciales e industriales
- Datos avanzados del medidor
- Los medidores avanzados monitorizan e informan todos sus puntos de datos
- Habilite el análisis de una variedad de parámetros de uso de energía y calidad.
- kW/energía neta
- kVA / kVAR
- Factor de alimentación
- Voltaje/frecuencia
- Ideal cuando se necesitan más datos de energía
Ventajas
- Conjunto de datos completo más allá de kWh
- Confiable
- Altamente configurable
- Los servicios de puesta en marcha de Leviton son altamente recomendados.
- Muchos modelos disponibles para aplicaciones monofásicas, bifásicas y trifásicas
- Soporte para interfaz Modbus y BACnet
- Fácil conexión en red
Desventajas
- Más complejo de instalar y configurar
- Algo más costoso
Medidores avanzados
- Serie 3500
- Medidores trifásicos (100 A - 5.000 A)
- Modbus TCP o BACnet IP (Ethernet)
- Opciones de cajas para interiores o exteriores
- Serie 4000
- Medidores trifásicos (100 A - 5.000 A)
- Opciones de TC de núcleo sólido, núcleo dividido y Rogowski
- Modbus RTU (RS485)
- Opciones de montaje en caja al aire libre o riel DIN
- Serie 4100
- Medidores trifásicos (100 A - 5.000 A)
- Versión bidireccional de la serie 4000
- Modbus RTU o BACnet MS/TP (RS485)
- Opciones de montaje en caja al aire libre o riel DIN
Medidores de circuitos múltiples avanzados
- Los medidores avanzados ofrecen una amplia gama de parámetros de medición más allá de kWh
- Altamente configurable para una variedad de aplicaciones
- Soporte para interfaz de usuario en red
- Modbus RTU (RS485)/TCP (Ethernet)
- BACnet MSTP (RS485) / IP (Ethernet)
- La mayoría utiliza un software o una interfaz de usuario basada en un navegador para la configuración
- Se utiliza ampliamente para aplicaciones comerciales e industriales
- Datos avanzados del medidor
- Los medidores avanzados monitorizan e informan todos sus puntos de datos
- Habilite el análisis de una variedad de parámetros de uso de energía y calidad.
- kW/energía neta
- kVA / kVAR
- Factor de alimentación
- Voltaje/frecuencia
- Ideal para medir cargas múltiples desde una fuente común
- Ideal cuando se necesitan más datos de energía
Ventajas
- Monitorice múltiples circuitos desde una plataforma de medidor único (12 a 48 circuitos)
- El costo por punto de medición es menor
- Conjunto de datos completo más allá de kWh
- Ahorra espacio
- Fácil conexión en red
- Confiable
- Altamente configurable
- Los servicios de puesta en marcha de Leviton son altamente recomendados.
- Modelos compatibles con aplicaciones monofásicas, bifásicas y trifásicas
- Soporte para interfaz Modbus y BACnet
Desventajas
- Más complejo de instalar y configurar
Medidores de circuitos múltiples avanzados de Leviton
- Serie 8000
- Configuraciones monofásicas, bifásicas o trifásicas (100 A a 5000 A)
- 24 circuitos (configurable para 24 x 1P , 12 x 2P , 8 x 3P )
- Opciones de TC de núcleo sólido y núcleo dividido
- Modbus RTU (RS485), Modbus TCP o IP (Ethernet)
- Serie 7100
- Medidores trifásicos de 16 x (50 A - 4.000 A)
- Opciones de TC de núcleo sólido, núcleo dividido y Rogowski
- Modbus RTU o BACnet MS/TP (RS485), Modbus TCP o BACnet IP (Ethernet)
- Serie 7000
- Versión incorporada sin caja
- Medidores trifásicos de 16 x (50 A - 4.000 A)
- Opciones de TC de núcleo sólido, núcleo dividido y Rogowski
- Modbus RTU o BACnet MS/TP (RS485), Modbus TCP o BACnet IP (Ethernet)
Módulo de pulso de alta densidad (A8911)
- Reúne datos de pulsos de hasta 23 medidores de pulsos
- Consolida los datos en un único flujo de datos Modbus
- Requiere un suministro de alimentación de 24VDC
Dónde usarlo:
- Funciona con todos los medidores de pulsos (eléctricos, de agua, de gas)
- Componente clave en instalaciones de múltiples medidores, que actúa como centro de datos de pulsos
- Integración frecuente en gabinetes MMU para conectar todos los medidores a una única salida Modbus.
Módulo de E/S flexible (A8332)
- Reúne datos de pulsos de hasta 8 entradas de dispositivos definidas por el usuario
- Entradas de pulso
- Entradas de productos de 4-20mA
- Resistivo
- Consolida los datos en un único flujo de datos Modbus
- Requiere un suministro de alimentación de 24VDC
Dónde usarlo:
- Ideal cuando hay entradas que no sean medidores de pulsos que deben capturarse
- También funciona con todos los medidores de pulsos (eléctricos, de agua, de gas)
Modhopper (R9120)
- Funciona como transceptor inalámbrico Modbus
- Crea una red de malla inalámbrica de 900MHz
- Incluye entrada RS485 para hasta 32 productos
- Incluye 2 entradas de pulso
- Requiere un suministro de alimentación de 24VDC
Dónde usarlo:
- Se utiliza en lugares en los que el cableado Modbus (RS485) es problemático.
- Ideal en ubicaciones de campus para llegar entre edificios.
- Funciona con todos los medidores de pulsos (eléctricos, de agua, de gas)
- Es un producto inalámbrico: tenga en cuenta las obstrucciones inalámbricas y los problemas de línea de visión clara con la colocación del producto
Lectura automática de medidores (Automated Meter Reading, AMR) inalámbrica
- Red de malla inalámbrica de 902 Mhz
- Solo datos del medidor de pulsos
- Los componentes del sistema,
- Transceptor de datos de medidor (MDT) T70MB
- Un MDT conectado a cada medidor
- Repetidores T95RX
- Según sea necesario para construir una red mallada sólida
- Punto de acceso de concentración de datos (Data Concentration Access Point, DCAP) T25DX
- Uno por sitio: captura todos los datos de pulsos del medidor y los extrae como archivo CSV
Dónde usarlo:
- Para usar con medidores de pulsos. (Mini Meter, serie 1000/2000)
- El MDT viene integrado con el Mini Meter (MDTSW/MDTFW)
- Ideal para aplicaciones residenciales de múltiples inquilinos
EMB Hub-Lite A7810
- Consolida los datos de medición de pulsos de hasta 4 metros.
- Incluye 4 entradas de pulso estándar (sin Modbus en este modelo)
- Crea un archivo CSV con los datos combinados
- Reenvía los datos a la ubicación especificada por el usuario:
- Plataforma de software en la nube de BMO
- Plataforma de software de terceros
- Sitio FTP
- Descarga de archivos a PC
- Interfaz de navegador integrada y fácil de usar
Dónde usarlo:
- Ideal para sistemas de medidores de pulsos pequeños (4 metros o menos)
- Usar con MMU de grado mediano (4 metros)
- Disponible por separado o en caja NEMA con suministro de alimentación
Centro EMB A8810
- Consolida los datos de medición y sensores de hasta 32 productos Modbus RTU (RS485)
- Compatible con una amplia variedad de medidores y sensores Modbus
- Controladores integrados para la mayoría de los productos
- Configuración fácil
- Crea un archivo CSV con los datos combinados
- Reenvía los datos a la ubicación especificada por el usuario:
- Plataforma de software en la nube de BMO
- Plataforma de software de terceros
- Sitio FTP
- Descarga de archivos a PC
- Interfaz de navegador integrada y fácil de usar
Dónde usarlo:
- Ideal para sistemas de medición integrados grandes (pulso o Modbus)
- Se utiliza con el módulo de pulsos HD (A8911) para la integración de medidores de pulsos
- Disponible por separado o en caja NEMA con suministro de alimentación
Centro EMH A8812
- Consolida los datos de medición y sensores de hasta 32 productos Modbus RTU (RS485) + 8 entradas de pulsos
- Interfaz a Modbus RTU (RS485)
- Compatible con una amplia variedad de medidores y sensores Modbus
- Controladores integrados para la mayoría de los productos
- Configuración fácil
- Crea un archivo CSV con los datos combinados
- Reenvía los datos a la ubicación especificada por el usuario:
- Plataforma de software en la nube de BMO
- Plataforma de software de terceros
- Sitio FTP
- Descarga de archivos a PC
- Interfaz de navegador integrada y fácil de usar
Dónde usarlo:
- Ideal para sistemas de medición integrados grandes (pulso o Modbus)
- Ideal para instalaciones con una combinación de dispositivos de pulsos y Modbus
- Donde es deseable una caja de metal montada en la pared con una opción de seguro.
Residencial de altura alta
(Unidades de varias viviendas)
Leviton es su fuente única de una solución de medición completa para inquilinos especialmente adecuada para aplicaciones de alta densidad.
- Una solución creada alrededor de la serie 8000 es especialmente rentable para construcciones nuevas debido a su capacidad y flexibilidad.
- El submedidor de la serie 8000 es fácil de instalar y cablear, y permite una flexibilidad total para adaptarse a cualquier diseño de proyecto y es configurable para cualquier tipo de servicio eléctrico, entre ellos:
- 120/208 V 1P3W (servicio de 120/208 V 3P4W en el panel)
- 120/240 V 1P3W
- 120/208 V 3P4W
La ventaja de Leviton
- Espacio de pared mínimo y costos de construcción reducidos
- Interfaz para medidores de agua, gas, BTU, etc. en un único sistema
- Los técnicos de fábrica de Leviton brindan servicios de puesta en marcha, programación y formación del sistema
- La arquitectura abierta brinda flexibilidad para usar su elección de una empresa de facturación externa o el Módulo de facturación a inquilinos de BMO VerifEye
- Utilice el módulo de pulsos de alta densidad A8911 para la captura del medidor de agua y gas de pulsos
- Utilice el medidor de la serie 8000 en el panel para medir el circuito principal de cada apartamento/unidad individual.
- Utilice el centro A8812 o A8810 para consolidar los datos de todos los medidores
- Envíe los datos al Módulo de facturación a inquilinos de BMO o a una solución de software de facturación de terceros
AMR residencial inalámbrico
(Unidades de varias viviendas)
Leviton ofrece una solución de medición inalámbrica completa para inquilinos que es ideal para aplicaciones de múltiples inquilinos.
- Una solución creada alrededor del Mini Meter es especialmente rentable para construcciones nuevas, ya que utiliza transmisores inalámbricos en lugar de medidores cableados.
- El Mini Meter de montaje empotrado o superficial es fácil de instalar en cada unidad.
- Admite servicio de 120/208/240 V hasta 200A
La ventaja de Leviton
- Fácil de reacondicionar con un sistema inalámbrico resistente
- Huella pequeña con cajas de montaje empotrado o superficial
- Soporte inalámbrico para integración fácil de agua y gas, medidores en un único sistema
- Los técnicos de fábrica de Leviton brindan servicios de puesta en marcha, programación y formación del sistema
- La arquitectura abierta brinda flexibilidad para usar su elección de una empresa de facturación externa o el Módulo de facturación a inquilinos de BMO VerifEye
- Utilice el Mini Meter con AMR inalámbrico instalado en cada apartamento/unidad individual.
- Utilice el MDT inalámbrico estándar para capturar medidores de agua y gas de pulso
- Utilice repetidores inalámbricos, según sea necesario, para construir una red de malla sólida
- Utilice el DCAP inalámbrico para consolidar todos los datos inalámbricos de cada unidad
- (opcional) Utilice el centro A8810 para extraer los datos del DCAP
- Envíe los datos al software de facturación de terceros o descargue el archivo CSV directamente desde el centro
Uso comercial/mixto
Ya sea para un pequeño edificio de oficinas de dos pisos, un extenso complejo de oficinas comerciales o una nueva instalación de uso mixto, Leviton tiene la combinación correcta de componentes y experiencia para brindar la solución óptima.
- Redirija la responsabilidad del uso de energía a los inquilinos y optimice las operaciones contables con una solución de Leviton.
- La monitorización precisa de los servicios públicos de los inquilinos y los principales sistemas de edificios puede generar importantes ahorros de costos.
La ventaja de Leviton
- Fácil de instalar, lo que ahorra tiempo y costos de mano de obra
- Solución de sistema completa y rentable
- Información universal sobre energía con protocolo e interfaz abiertos
- Acceso basado en Internet/navegador a datos y creación de informes con soluciones de software de BMO
- Compatibilidad con soluciones de software de facturación de terceros
- Use medidores serie 7100 en el panel para medición de paneles de alta densidad
- Altamente configurable para una variedad de tipos de carga
- Utilice medidores de pulsos serie 2000 para cargas trifásicas aisladas.
- Utilice los módulos de pulso de alta densidad (A8911) para capturar datos de medidores de gas y agua S2000.
- Utilice el centro A8810 para consolidar los datos de los medidores y los módulos de pulso de alta densidad
- Envíe los datos a BMO, software de facturación de terceros o descargue el archivo CSV directamente desde el centro
- Utilice la interfaz BACnet con el centro A8810 para compartir datos con el sistema BMS
Uso comercial/mixto
(con inalámbrico)
VerifEye de Leviton cuenta con una gama de productos que incorporan protocolos estándar, opciones inalámbricas y tecnologías de TC de núcleo dividido, lo que hace que el reacondicionamiento sea relativamente fácil y económico.
Facturación precisa a los inquilinos del uso de electricidad, agua, gas y servicios públicos en áreas comunes
- Redirija la responsabilidad del uso de energía a los inquilinos y optimice las operaciones contables
- La monitorización precisa de los servicios públicos de los inquilinos y los principales sistemas de edificios puede generar importantes ahorros de costos.
La ventaja de Leviton
- Fácil de instalar, lo que ahorra tiempo y costos de mano de obra
- Solución de sistema completa y rentable
- Modhopper inalámbrico facilita el reacondicionamiento.
- Acceso basado en Internet/navegador a datos y creación de informes con soluciones de software de BMO
- Compatibilidad con soluciones de software de facturación de terceros
- Utilice medidores serie 7100 u 8000 en el panel para medición de paneles de alta densidad
- Altamente configurable para una variedad de tipos de carga
- Utilice medidores de pulsos serie 2000 para cargas trifásicas aisladas.
- Utilice los módulos de pulso de alta densidad (A8911) para capturar datos de medidores de gas y agua S2000.
- Utilice Modhopper (R9120) inalámbrico para reacondicionamiento donde el cableado RS485 es problemático
- Utilice el centro A8810 para consolidar los datos de los medidores y los módulos de pulso de alta densidad
- Envíe los datos a BMO, software de facturación de terceros o descargue el archivo CSV directamente desde el centro
- Utilice la interfaz BACnet con el centro A8810 para compartir datos con el sistema BMS
Campus educativo y profesional
Las instalaciones modernas dependen cada vez más de la tecnología. Computadoras en cada escritorio, equipos audiovisuales sofisticados en cada habitación, todo consumiendo energía.
Los sistemas VerifEye permiten la submedición de energía desde todo el edificio hasta circuitos ramales individuales en una única plataforma para todo el campus. Los datos de energía se comparten con software de monitorización de energía, EMS/BMS, paneles, ESCO, etc.
La ventaja de Leviton
- Fácil de instalar, lo que ahorra tiempo y costos de mano de obra
- Amplia línea de productos, solución de sistema rentable
- Altamente ampliable
- La visibilidad clara de los datos de energía subsiguientes facilita la asignación de costos departamentales y ayuda a pronosticar necesidades futuras de energía
- Sistema abierto, compatible con BMO, software de terceros y EMS/BMS
- Utilice medidores serie 8000 en el panel para medición de paneles de alta densidad
- Altamente configurable para una variedad de tipos de carga
- Utilice medidores serie 3500 para cargas trifásicas aisladas.
- Utilice la red troncal CAT5/6 (Ethernet) existente para la comunicación del sistema
- Utilice el centro A8812 para consolidar los datos de los medidores
- Envíe los datos a BMO, software de creación de informes y facturación de terceros, o descargue el archivo CSV directamente desde el centro
- Utilice la interfaz BACnet con el centro A8810 para compartir datos con el sistema BMS
Industria/Fabricación
Se necesita una gran cantidad de energía para hacer funcionar los equipos de procesos de fabricación, la iluminación y los sistemas de climatización dentro de una planta típica. Las fábricas e instalaciones industriales pueden lograr ahorros de costos significativos al mejorar el rendimiento de los equipos, al cambiar la carga y al eliminar el consumo desperdiciado.
Además, la asignación precisa de los costos de servicios públicos posible a través de la monitorización de la energía puede mejorar el manejo de los costos de producción por unidad. Los datos de monitorización de energía pueden facilitar un sólido manejo de energía y un plan de mejora que, si se utilizan correctamente, ofrecerán oportunidades de ahorro significativas.
La ventaja de Leviton
- Altamente ampliable
- Fácil de instalar, lo que ahorra tiempo y costos de mano de obra
- Amplia línea de productos, solución de sistema rentable
- La visibilidad clara de los datos de energía subsiguientes facilita la asignación de costos departamentales y ayuda a pronosticar necesidades futuras de energía
- Sistema abierto, compatible con BMO, software de terceros y EMS/BMS
- Utilice medidores Modbus (RS485) serie 4000 para cargas industriales
- Altamente configurable para una variedad de tipos de carga
- Utilice medidores Modbus TCP (Ethernet) serie 3500 para cargas trifásicas aisladas.
- Utilice la red troncal CAT5/6 (Ethernet) existente para la comunicación del sistema
- Utilice el centro A8812 para consolidar los datos de los medidores
- Envíe los datos a BMO, software de facturación de terceros o descargue el archivo CSV directamente desde el centro
- Utilice la interfaz BACnet con el centro A8810 para compartir datos con el sistema BMS
